| Thân hình | Gang, Gang dẻo, Thép không gỉ,CF8,CF8M,CF3M |
| Đĩa | Gang, Gang dẻo, Thép không gỉ,CF8,CF8M,CF3M |
| Ghế | Thép không gỉ |
| Kết thúc | mặt bích |
| Kích cỡ | 2” – 120” (25mm – 3000mm) |
| Áp lực | 0,6Mpa |
| Kết thúc | EN 1092 PN 6/PN10/PN16
ASME Lớp 150 NHƯ 4087 PN 10/ PN 16 JIS 5K/10K |
| Trung bình | Gas, nước và dầu, vv |
| Thiết bị truyền động điện | Loại ON-OFF, loại có thể điều chỉnh |
| Tín hiệu điều khiển | 4-20 mADC, 0-5 VDC, 0-10 VDC |
| Quyền lực | 12 VDC,24 VAC, 24 VDC, 220 VAC, 120 VAC, 380 VAC 50/60 Hz ±10% |
| Không bắt buộc | Thiết bị truyền động chống cháy nổ: Exd II CT5, Exd II BT5 |
| Các ứng dụng | Khí thải nhiệt độ cao |

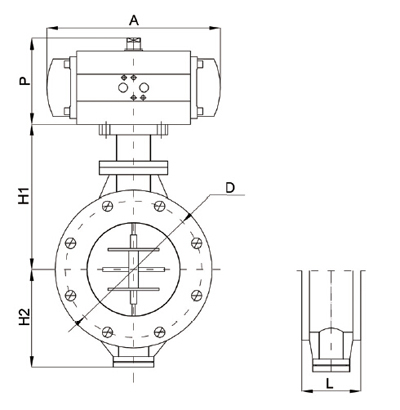
| DN | L | D | H1 | H2 | P | MỘT |
| 50 | 108 | 110 | 180 | 100 | 96 | 163 |
| 65 | 112 | 130 | 190 | 110 | 96 | 163 |
| 80 | 114 | 150 | 200 | 120 | 96 | 163 |
| 100 | 127 | 170 | 210 | 130 | 115 | 195 |
| 125 | 140 | 200 | 230 | 150 | 115 | 195 |
| 150 | 140 | 225 | 240 | 160 | 137 | 217 |
| 200 | 152 | 280 | 260 | 180 | 258 | 147 |
| 250 | 165 | 335 | 310 | 230 | 299 | 165 |
| 300 | 178 | 395 | 342 | 262 | 299 | 165 |
| 350 | 190 | 445 | 367 | 287 | 349 | 182 |
| 400 | 216 | 495 | 373 | 293 | 349 | 182 |
| 450 | 222 | 550 | 400 | 320 | 349 | 182 |
| 500 | 229 | 600 | 426 | 346 | 397 | 199 |
| 600 | 267 | 705 | 483 | 403 | 397 | 199 |
| 700 | 292 | 810 | 547 | 467 | 473 | 221 |
| 800 | 318 | 920 | 626 | 546 | 560 | 249 |
| 900 | 330 | 1020 | 676 | 596 | 560 | 249 |
| 1000 | 410 | 1120 | 726 | 646 | 601 | 280 |

Hãy là người đầu tiên nhận xét “Van bướm điện giảm chấn”